品牌原厂直接采购,通过集中批量采购以获取厂商较好的折扣
查看更多+
潍坊拓川以规范的管理,流程化的采购模式,健全的物流管理备受认可,国外所有进口产品都能采购。为了提高报价效率,请您务必提供品牌、型号、货号、数量或者铭牌照片。其余的事情交给我们!
查看更多+


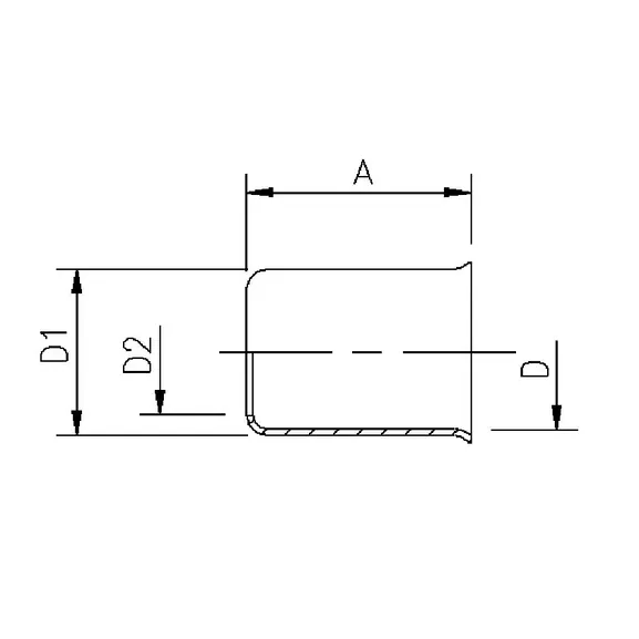
不锈钢盖。
材料:AISI304
与我们的其他配件相反,这些盖子以100件一包的形式供应(其他数量可以在额外收费后供应)。
盖子尺寸的计算:
外螺纹软管尺寸+1 mm
请注意!尺寸为11和19毫米的无领。