品牌原厂直接采购,通过集中批量采购以获取厂商较好的折扣
查看更多+
潍坊拓川以规范的管理,流程化的采购模式,健全的物流管理备受认可,国外所有进口产品都能采购。为了提高报价效率,请您务必提供品牌、型号、货号、数量或者铭牌照片。其余的事情交给我们!
查看更多+


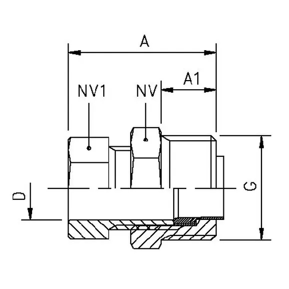
油箱大头接头。
油箱的大头接头与油箱中的母接头安装在一起,铜管穿过接头。随着管道和储罐散装头连接器之间的联接被拧紧,螺纹螺母也被拧紧。
该结构可防止电偶腐蚀。
材料:
乳头:粗糙(CuZn39Pb3)
衬套:塑料PE-LD(温度-60°C至+80°C)
螺母:8、10或15毫米DIN 17660黄铜(CuZn39Pb3)、12毫米LEXAN 500塑料(温度-20°C至+80°C)。
螺纹:管螺纹G DS/ISO 228/1