品牌原厂直接采购,通过集中批量采购以获取厂商较好的折扣
查看更多+
潍坊拓川以规范的管理,流程化的采购模式,健全的物流管理备受认可,国外所有进口产品都能采购。为了提高报价效率,请您务必提供品牌、型号、货号、数量或者铭牌照片。其余的事情交给我们!
查看更多+


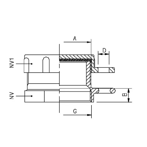
填充锌盖。
盖子可以用挂锁锁在加油口上。加注盖通常与垫片一起交付。这确保了在安装盖子时,填充盖是紧的。
材料:
锌DS 7030 ZnAl4Cu1
垫片:DPI-UNI
52 mm软管适配器螺纹DS 41
螺纹:管螺纹G DS/ISO 228/1